Language: Chinese line English

high performance BFV

  • high performance butterfly valve
  • high performance butterfly valve
high performance butterfly valvehigh performance butterfly valve

high performance butterfly valve

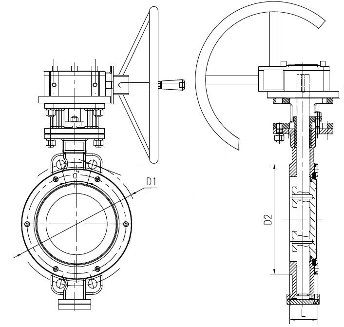
  • Product description: GGG40/GGG50,CF8,WCB,CF3,CF8M, LCB,LCC,WC6,WC9 A890 4A, F51, etc. Size Range: DN50(2'')-DN1200 (48'')
  • INQUIRY

Design standard: API 609, ANSI B16.34, DIN, JIS, GB, BS,GOST etc.

Pressure: class 150-class 600, JIS 10K, 20K, PN10, PN16, PN25, PN50

Flange end: ASME B16.5, B16.47, JIS 10K, 20K, DIN, BS, GB, HG. ect.

Face to face: ANIS B16.10, API 609, DIN, BS etc.

Type of connection: Flange, full lug, wafer .

Actuator : handle wheel, lever, worm gear, pneumatic, electric  etc.