Language: Chinese line English

Deflector Cone KGV

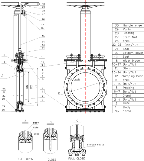
  • Deflector Cone Knife gate valve
Deflector Cone Knife gate valve

Deflector Cone Knife gate valve

  • Product description: 1.PRESSURE: PN10/PN16/JIS10K/ANSI 150 2.WAFER KNIFE GATE VALVE, UNI-DIRECTIONAL DESIGN & MANUFACTURE: MSS SP 81, JB/T8691 FACE TO FACE: MSS SP 81,EN588-1
  • INQUIRY

MAX.WORKING PRESSURE:

DN50-DN300:   10 BAR

DN350-DN450:  6 BAR

DN500-DN600: 4 BAR

BODY: WCB/LCB/CF8/CF8M ETC.

GATE: SS201/SS304/SS316/DUPLEX STEEL

STEM: SS201/SS304/SS316/SS420/DUPLEX STEEL

SEAT: EPDM/NBR/PTFE/VITON/METAL

RISING STEM OR NO-RISING STEM